Giá bán: Vui lòng liên hệ
(Gọi điện, chat Zalo nhận báo giá rẻ hơn)
Thông số kỹ thuật của Servo Motor HG-SN302BJ-S100:
Hướng dẫn đọc mã Servo Motor :


HG-KN23J-S100
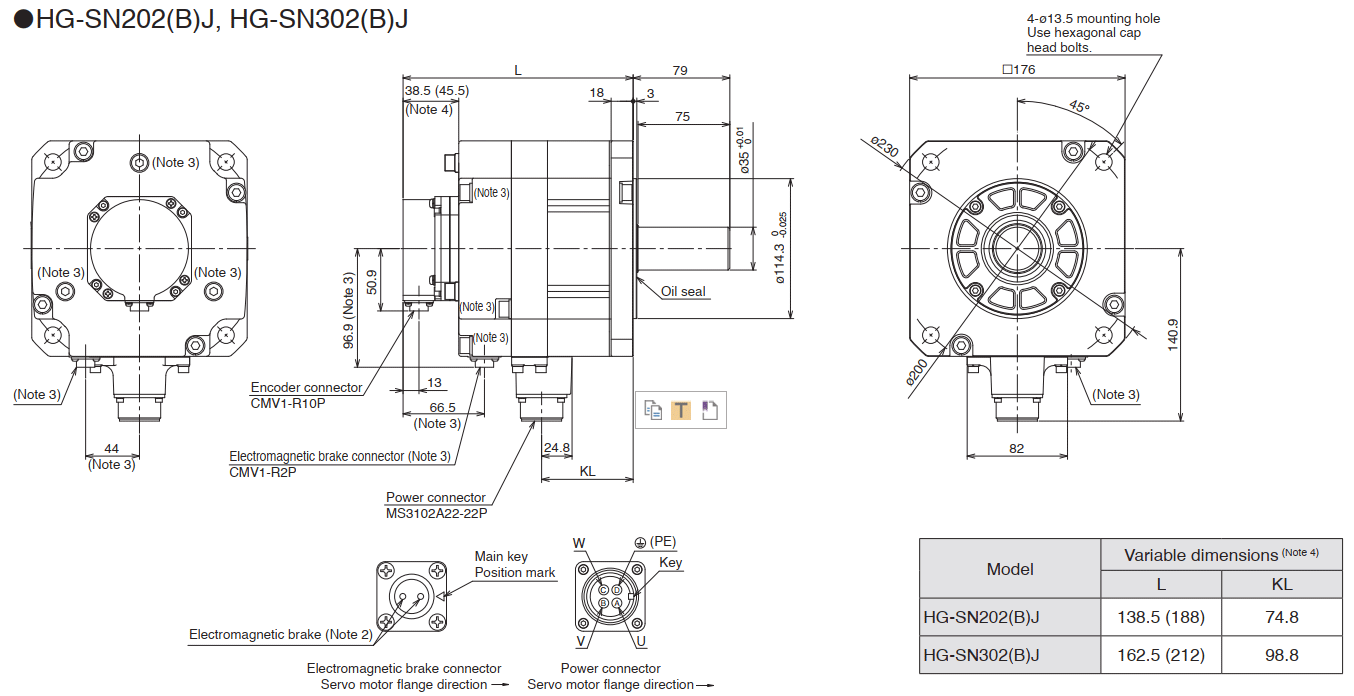
Kích thước Servo Motor HG-SN302BJ-S100 :


Để lại Email của bạn để nhận nhiều ưu đãi lớn.